Web Analytics Made Easy - Statcounter

Ehage MSE 1 Wiring Diagram: Simplify Your Automation Setup! Warema 1002683, 1002764, 2016480 mse kompakt 1 up/ap/reg

If you are looking for Electrical Wiring Diagrams Circuits Wiring Schematic Diagram you've came to the right page. We have 25 Images about Electrical Wiring Diagrams Circuits Wiring Schematic Diagram like Motorsteuergerät Ehage MSE-1 (Schaltbild EA 4001) ***nicht rabattfähig, Basic Electrical Design Of A Plc Panel Wiring Diagrams Plc D and also Basic Wiring Diagram | AndersGarnow. Read more:

Electrical Wiring Diagrams Circuits Wiring Schematic Diagram

Electrical Wiring Diagrams Circuits Wiring Schematic Diagram circuitkrnboy28qds.z21.web.core.windows.net

How To Set Up A Home Theater System Using The Tv As The Main Control At

How To Set Up A Home Theater System Using The Tv As The Main Control at exoqxokmp.blob.core.windows.net

Motorsteuergerät Ehage MSE-1 (Schaltbild EA 4001) ***nicht Rabattfähig

Motorsteuergerät Ehage MSE-1 (Schaltbild EA 4001) ***nicht rabattfähig www.hl-teileservice.de

Motorsteuergerät Ehage Für 2 Motoren | Motorsteuergeräte

Motorsteuergerät Ehage für 2 Motoren | Motorsteuergeräte www.hl-teileservice.de

Warema Uniswitch ZL UP - Die Sonnenschutz-Profis

Warema Uniswitch ZL UP - Die Sonnenschutz-Profis www.markisen-kauf.de

Wiring Diagram For Lutron Keypads: Simplify Your Home Automation Setup

Wiring Diagram for Lutron Keypads: Simplify Your Home Automation Setup elecsprout.com

Siemens Mcc Starter Wiring Diagrams

Siemens Mcc Starter Wiring Diagrams ar.inspiredpencil.com

Plc Scada Wiring Diagram - Circuit Diagram

Plc Scada Wiring Diagram - Circuit Diagram www.circuitdiagram.co

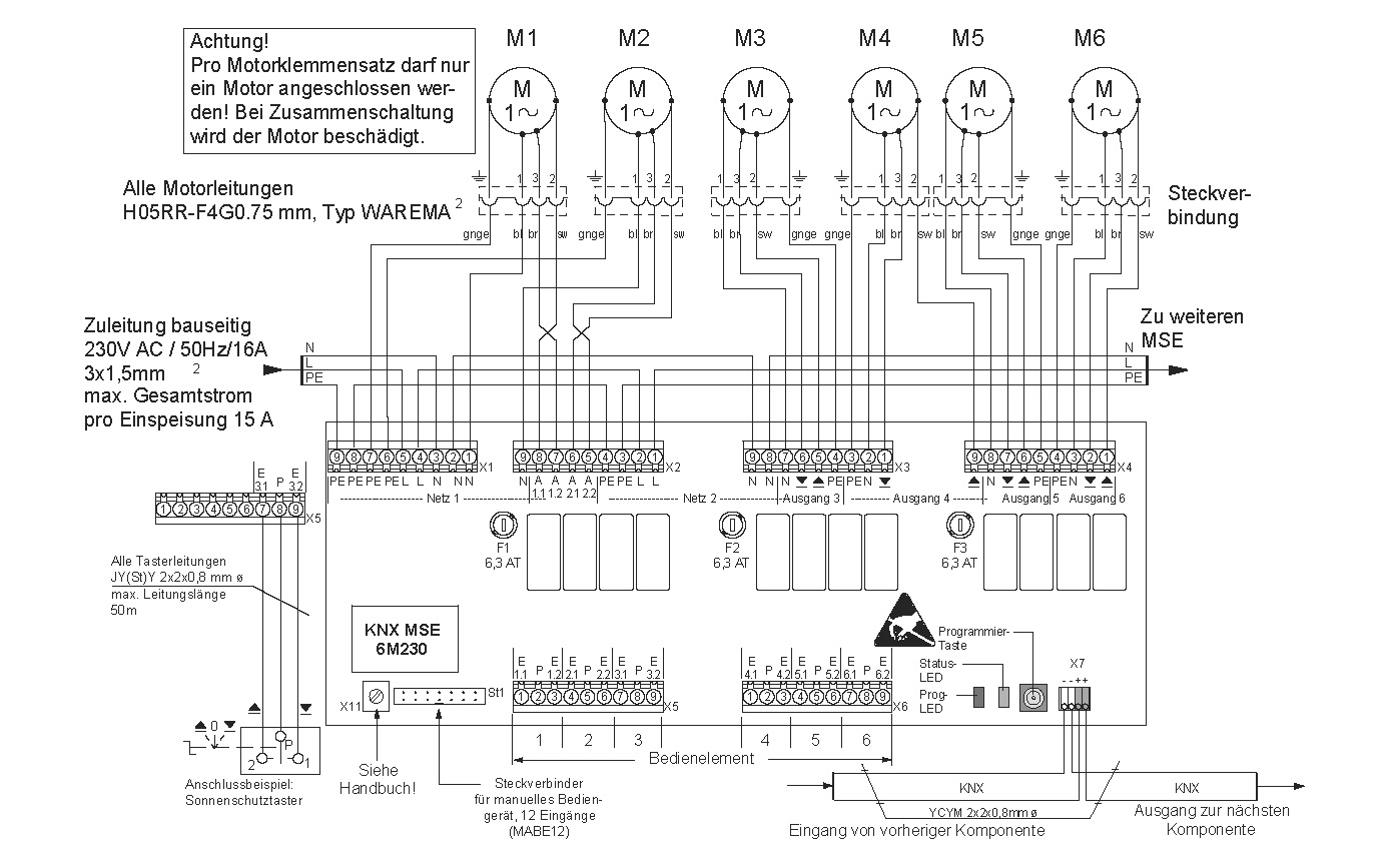
WAREMA #1002719 #1002632 KNX MSE 6M230 AP/REG

WAREMA #1002719 #1002632 KNX MSE 6M230 AP/REG www.der-sonnenschutz-shop.de

Powerflex 753 Electrical Wiring Diagram Pdf - Wiring Draw And Schematic

Powerflex 753 Electrical Wiring Diagram Pdf - Wiring Draw And Schematic www.wiringdraw.com

WAREMA 1002683, 1002764, 2016480 MSE Kompakt 1 UP/AP/REG - Der

WAREMA 1002683, 1002764, 2016480 MSE Kompakt 1 UP/AP/REG - der www.der-sonnenschutz-shop.de

Victron IP22 Wiring Diagram: Simplify Your Power System Setup

Victron IP22 Wiring Diagram: Simplify Your Power System Setup wiringpictures.net

Victron IP22 Wiring Diagram: Simplify Your Power System Setup

Victron IP22 Wiring Diagram: Simplify Your Power System Setup wiringpictures.net

How To Setup A Home Automation System

How To Setup A Home Automation System diagramlibrarylite.z21.web.core.windows.net

Sequential Motor Control Circuit Using Siemens LOGO! V8 PLC

Sequential Motor Control Circuit Using Siemens LOGO! V8 PLC www.electricaltechnology.org

Wiring Diagram For Lutron Keypads: Simplify Your Home Automation Setup

Wiring Diagram for Lutron Keypads: Simplify Your Home Automation Setup elecsprout.com

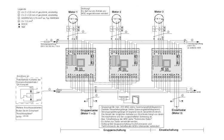
Anschlussplan MSE Zeitlog

Anschlussplan MSE Zeitlog www.yumpu.com

warema steuerungssysteme mse anschlussplan

How To Simplify Wiring In Process-Related Applications - AUTOMATION

How to Simplify Wiring in Process-Related Applications - AUTOMATION automation-insights.blog

wiring automation simplify applications process related insights

EHAGE MSE-6 Engine Control Unit, 84,03

EHAGE MSE-6 Engine Control Unit, 84,03 vb-steuerungstechnik.de

Motors And Motor Control Circuits

Motors And Motor Control Circuits drumzlina08pdiagrampart.z13.web.core.windows.net

Victron IP22 Wiring Diagram: Simplify Your Power System Setup

Victron IP22 Wiring Diagram: Simplify Your Power System Setup wiringpictures.net

Victron IP22 Wiring Diagram: Simplify Your Power System Setup

Victron IP22 Wiring Diagram: Simplify Your Power System Setup wiringpictures.net

Basic Electrical Design Of A Plc Panel Wiring Diagrams Plc D

Basic Electrical Design Of A Plc Panel Wiring Diagrams Plc D schematicstufenlos350.z14.web.core.windows.net

Basic Wiring Diagram | AndersGarnow

Basic Wiring Diagram | AndersGarnow www.andersgarnow.com

Victron IP22 Wiring Diagram: Simplify Your Power System Setup

Victron IP22 Wiring Diagram: Simplify Your Power System Setup wiringpictures.net

Motorsteuergerät ehage für 2 motoren. Warema uniswitch zl up. Anschlussplan mse zeitlog