Web Analytics Made Easy - Statcounter

2000 F250 Wiring Diagram: Simplifying Your Truck Setup [diagram] 2000 f250 wiring diagram charging

If you are searching about 2000 Ford F250 Wiring Diagram you've came to the right web. We have 25 Pictures about 2000 Ford F250 Wiring Diagram like 2000 Ford F 250 Wiring Diagram, [DIAGRAM] Wiring Diagram For 2000 Ford F 250 Super Duty FULL Version HD and also F250 Trailer Plug Wiring Diagram. Here you go:

2000 Ford F250 Wiring Diagram

2000 Ford F250 Wiring Diagram wirelibrarybreviers.z21.web.core.windows.net

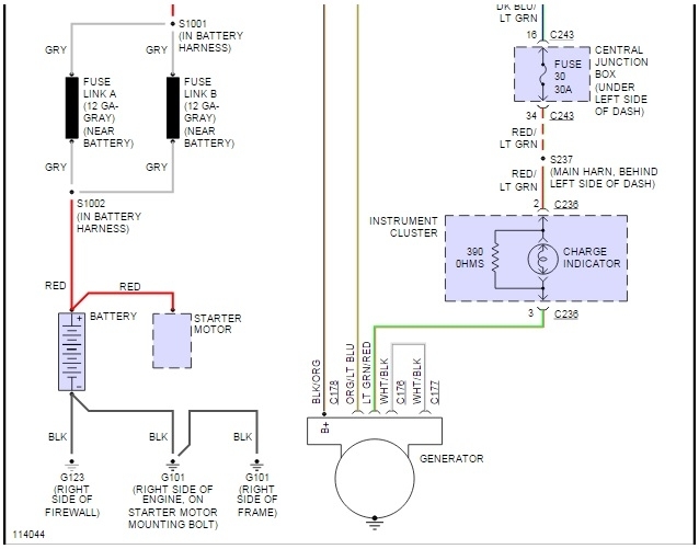
2000 Ford F250 Alternator Wiring Diagram - Wiring Diagram

2000 Ford F250 Alternator Wiring Diagram - Wiring Diagram wiringdiagram.2bitboer.com

wiring f250 alternator ford 4l 1999 charge

Ford Wiring Diagrams F250

Ford Wiring Diagrams F250 enginelibperception.z14.web.core.windows.net

Wiring Diagram For Brake Controller On 2000 F250

Wiring Diagram for Brake Controller on 2000 F250 wireblueprint.com

2000 Ford F250 Starter Solenoid Wiring Diagram

2000 Ford F250 Starter Solenoid Wiring Diagram secuilane.pages.dev

2000 F250 Wiring Diagram - Homemadeal

2000 F250 Wiring Diagram - Homemadeal homemadeal.blogspot.com

[DIAGRAM] Wiring Diagram For 2000 Ford F 250 Super Duty FULL Version HD

[DIAGRAM] Wiring Diagram For 2000 Ford F 250 Super Duty FULL Version HD 159.223.119.28

F250 Trailer Plug Wiring Diagram

F250 Trailer Plug Wiring Diagram schematiclistmoller.z19.web.core.windows.net

01 F250 Ac Wiring Diagrams

01 F250 Ac Wiring Diagrams guidepartarousals.z21.web.core.windows.net

Free Wiring Diagrams Ford F250

Free Wiring Diagrams Ford F250 circuitwiringcasey.z21.web.core.windows.net

2000 Ford F250 Tail Light Wiring Diagram: Q&A For F350, F250, And

2000 Ford F250 Tail Light Wiring Diagram: Q&A for F350, F250, and www.justanswer.com

f250 2000 ford lights running wiring trailer light parking superduty diesel switch duty super rear steve

SOLVED: 2000 F250 Tailight Wiring Diagram,taillights Are - Fixya

SOLVED: 2000 F250 tailight wiring diagram,taillights are - Fixya www.fixya.com

wiring f250 fixya 3l schematic

2000 F250 5 4 Wiring Diagram

2000 F250 5 4 Wiring Diagram circuitenginegourdy.z13.web.core.windows.net

All Wiring Diagrams For Ford Pickup F250 Super Duty 2000 – Wiring

All Wiring Diagrams for Ford Pickup F250 Super Duty 2000 – Wiring portal-diagnostov.com

F250 7 3l Wiring Diagram 1999

F250 7 3l Wiring Diagram 1999 diagramlibraryisadore.z21.web.core.windows.net

2000 F250 Headlight Switch Wiring Diagram Collection - Wiring Diagram

2000 F250 Headlight Switch Wiring Diagram Collection - Wiring Diagram faceitsalon.com

wiring diagram ford f150 switch turn signal f250 1987 2000 light headlight brake 1994 fuse bronco 1990 question forums tail

Unlocking The Mysteries Of The 2000 F250 Wiring Diagram

Unlocking the Mysteries of the 2000 F250 Wiring Diagram schempal.com

How To Wire A Trailer For A 2000 Ford F250: Wiring Diagram Included

How to Wire a Trailer for a 2000 Ford F250: Wiring Diagram Included techschematic.com

Ford F250 Wiring Diagram - Wiring Diagram

Ford F250 Wiring Diagram - Wiring Diagram www.diagramelectric.co

Hello, Here's A Wire Diagram From Mitchells' OD5... I Hope They Help

Hello, here's a wire diagram from Mitchells' OD5... I hope they help www.pinterest.it

2017 Ford F250 Trailer Wiring Diagram

2017 Ford F250 Trailer Wiring Diagram www.wiringdraw.com

Connecting A 7 Way Plug To A 2000 F350 - 7 Pin Trailer Plug Wiring

Connecting A 7 Way Plug To A 2000 F350 - 7 Pin Trailer Plug Wiring howcanifindpaydayloa53976.blogspot.com

justanswer f350 connecting

2000 F250 Wiring Diagram - Homemadeal

2000 F250 Wiring Diagram - Homemadeal homemadeal.blogspot.com

[DIAGRAM] 2000 F250 Wiring Diagram Charging - MYDIAGRAM.ONLINE

[DIAGRAM] 2000 F250 Wiring Diagram Charging - MYDIAGRAM.ONLINE mydiagram.online

2000 Ford F 250 Wiring Diagram

2000 Ford F 250 Wiring Diagram mungfali.com

Wiring f250 fixya 3l schematic. 2000 ford f 250 wiring diagram. F250 trailer plug wiring diagram