Web Analytics Made Easy - Statcounter

07 Silverado TCM Wiring Diagram: Fix Your Transmission Issues Transfer case 2001 chevy silverado at sean oliver blog

If you are looking for Transfer Case 2001 Chevy Silverado at Sean Oliver blog you've visit to the right place. We have 25 Pictures about Transfer Case 2001 Chevy Silverado at Sean Oliver blog like 07 Silverado Tcm Wiring Diagram - Ecoist, 07 Silverado Tcm Wiring Diagram - Ecoist and also 2000 Chevy Silverado Transmission Wiring Diagram. Here it is:

Transfer Case 2001 Chevy Silverado At Sean Oliver Blog

Transfer Case 2001 Chevy Silverado at Sean Oliver blog cedxjsmr.blob.core.windows.net

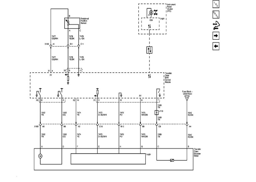
07 Silverado Tcm Wiring Diagram - Ecoist

07 Silverado Tcm Wiring Diagram - Ecoist ecoist70.blogspot.com

Allison Transmission Tcm Wiring Diagram

Allison Transmission Tcm Wiring Diagram www.wiringdraw.com

[DIAGRAM] Mazda 3 Tcm Diagram - MYDIAGRAM.ONLINE

[DIAGRAM] Mazda 3 Tcm Diagram - MYDIAGRAM.ONLINE mydiagram.online

Wiring Diagrams For Transmission And The TCM Control Module?

Wiring Diagrams for Transmission and the TCM Control Module? www.2carpros.com

tcm

Wiring Diagrams For Transmission And The TCM Control Module?

Wiring Diagrams for Transmission and the TCM Control Module? www.2carpros.com

transmission tcm wiring diagrams

The Ultimate Guide To Understanding The 2007 Chevy Silverado 1500

The Ultimate Guide to Understanding the 2007 Chevy Silverado 1500 elecschem.com

07 Silverado Tcm Wiring Diagram - Ecoist

07 Silverado Tcm Wiring Diagram - Ecoist ecoist70.blogspot.com

Wiring Diagrams For Transmission And The TCM Control, 45% OFF

Wiring Diagrams For Transmission And The TCM Control, 45% OFF www.elevate.in

2000 Chevy Silverado Transmission Wiring Diagram

2000 Chevy Silverado Transmission Wiring Diagram www.circuitdiagram.co

Wiring Diagrams For Transmission And The TCM Control, 57% OFF

Wiring Diagrams For Transmission And The TCM Control, 57% OFF www.micoope.com.gt

Allison 1000/2000 Series Tcm Pinout » Wiring Diagram

Allison 1000/2000 Series Tcm Pinout » Wiring Diagram www.wiringtrust.com

Wiring Diagram For A Silverado - Wiring Diagram

wiring diagram for a silverado - Wiring Diagram wiringdiagram.2bitboer.com

The Ultimate Guide To The 2007 Chevrolet Silverado Wiring Diagram

The Ultimate Guide to the 2007 Chevrolet Silverado Wiring Diagram design1systems.com

07 Silverado Tcm Wiring Diagram - Ecoist

07 Silverado Tcm Wiring Diagram - Ecoist ecoist70.blogspot.com

Wiring Diagrams For Transmission And The TCM Control Module?

Wiring Diagrams for Transmission and the TCM Control Module? www.2carpros.com

tcm wiring module enlarge

Wiring Diagrams For Transmission And The TCM Control, 57% OFF

Wiring Diagrams For Transmission And The TCM Control, 57% OFF www.micoope.com.gt

Wiring Diagrams For Transmission And The TCM Control Module?

Wiring Diagrams for Transmission and the TCM Control Module? www.2carpros.com

tcm

Tcm Wiring Diagram

Tcm Wiring Diagram circuitnotenkram6w.z22.web.core.windows.net

Wiring Diagrams For Transmission And The TCM Control, 45% OFF

Wiring Diagrams For Transmission And The TCM Control, 45% OFF www.elevate.in

07 Silverado Tcm Wiring Diagram - Ecoist

07 Silverado Tcm Wiring Diagram - Ecoist ecoist70.blogspot.com

Allison Transmission Tcm Wiring Diagram

Allison Transmission Tcm Wiring Diagram www.wiringdraw.com

07 Silverado Tcm Wiring Diagram - Ecoist

07 Silverado Tcm Wiring Diagram - Ecoist ecoist70.blogspot.com

TCM Wiring Diagram Needed?: Please I Need The Complete Wire

TCM Wiring Diagram Needed?: Please I Need the Complete Wire www.2carpros.com

07 Silverado Tcm Wiring Diagram - Ecoist

07 Silverado Tcm Wiring Diagram - Ecoist ecoist70.blogspot.com

Wiring diagrams for transmission and the tcm control module?. Wiring diagrams for transmission and the tcm control, 45% off. Wiring diagrams for transmission and the tcm control module?